Các loại máy bơm thủy lực?
Phụ thuộc vào đặc tính cấu trúc, điều kiện lắp ráp và môi trường hoạt động để phân loại máy bơm
Phụ thuộc vào đặc tính cấu trúc, điều kiện lắp ráp và môi trường hoạt động. Bởi vậy có rất nhiều tiêu chuẩn để phân loại máy bơm. Sau đây là vài tiêu chuẩn phổ biến:
I. Dựa trên đặc tính tác dụng lực phân ra: Máy bơm thể tích và Máy bơm động lực.
1. Máy bơm động lực gồm có:
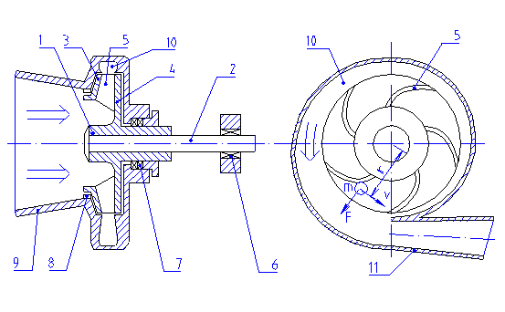
1.a. Máy bơm dạng cánh ( cánh dẫn): Dọc trục , ly tâm
|
Pic.1. Hướng trục
|
Pic.2. Ly tâm
|
1.b. Máy bơm điện
1.c. Máy bơm ma sát: Máy tạo xoáy, Máy bơm dạng tia
2. Máy bơm thể tích gồm có:
2.a. Máy bơm dạng tịnh tiến
2.b. Máy bơm dạng tay quay
2.c. Máy bơm dạng roto : roto - quay, roto - tịnh tiến.
II. Dựa trên đặc tính cấu trúc:
1. Theo hướng đặt trục quay hoặc cơ cấu làm việc: máy bơm nằm ngang , máy bơm đặt đứng.
2. Theo số lượng cấp , số lượng dòng: máy bơm đơn cấp, máy bơm đa cấp, máy bơm đơn dòng, máy bơm đa dòng.
3. Theo yêu cầu vận hành: máy bơm một chiều, máy bơm thuận nghịch, máy bơm điều khiển, máy bơm bù.
III. Dựa trên đặc tính nguồn phát động máy bơm:
1. Máy bơm điện - hoạt động nhờ động cơ điện
2. Máy bơm diesel - hoạt động nhờ động cơ diesel
3. Máy bơm thủy lực - hoạt động nhờ động cơ thủy lực
4. Máy bơm moto - hoạt động nhờ động cơ đốt trong
5. Máy bơm khí - hoạt động nhờ động cơ khí nén
Sơ đồ phân loại: (chưa đầy đủ)


